Variable Speed Drive Circuit Diagram Of Ac Motors Series Wou

Posted on 08 Mar 2025

ac motor variable speed drives at best price in ghaziabad A comprehensive guide to variable speed drive wiring diagrams Variable speed drive wiring diagram

Variable Speed AC Motor Drive, 3 HP at ₹ 19000/piece in Rudrapur | ID

Variable Speed AC Motor Drive, 3 HP at ₹ 19000/piece in Rudrapur | ID

Ac motor variable speed drives at best price in ghaziabad Solved the circuit diagram of a variable speed dc motor Ac power motor speed control circuit

[diagram] wiring diagram variable speed motor

Ac variable speed motor drive at ₹ 7000/pieceHow to troubleshoot a variable speed drive and motor circuit — best ... Solved the circuit diagram of a variable speed dc motorac motor speed control.

variable speed drive of an ac motor.Ac motor braking ac motor speed control[diagram] wiring diagram variable speed motor.

Variable Speed AC Motor Drive, 3 HP at ₹ 19000/piece in Rudrapur | ID

variable speed drive wiring diagram

[diagram] wiring diagram variable speed motorvariable speed drives A guide to wiring diagram for variable speed motorsVariable speed drives.

Variable speed drive wiring diagramA guide to wiring diagram for variable speed motors Ac motor drive variable frequency drive motor controlNvis 7006sf ac variable speed drive system.

Ac Motor Variable Speed Drives at Best Price in Ghaziabad | Himnish

Topology and typical circuit model of variable-speed drive.

ac variable speed motor drive at ₹ 7000/piecevariable speed ac motor drive, 3 hp at ₹ 19000/piece in rudrapur Ac motor speed control[diagram] wiring diagram variable speed motor.

A guide to wiring diagram for variable speed motorsVariable speed motor A guide to wiring diagram for variable speed motorsVariable speed drive for ac motor.

AC Variable Speed Motor Drive at ₹ 7000/piece | VFD in Ahmedabad | ID

ac drive,frequency inverter,frequency converter,variable speed drive ...

A comprehensive guide to variable speed drive wiring diagramsVariable speed ac-dc drives ac drive and variable speed motor controllerVariable speed ac motor drive, 3 hp at ₹ 19000/piece in rudrapur.

Solved the circuit diagram of a variable speed dc motorAc drive and variable speed motor controller Solved the circuit diagram of a variable speed dc motorvariable speed drive for ac motor.

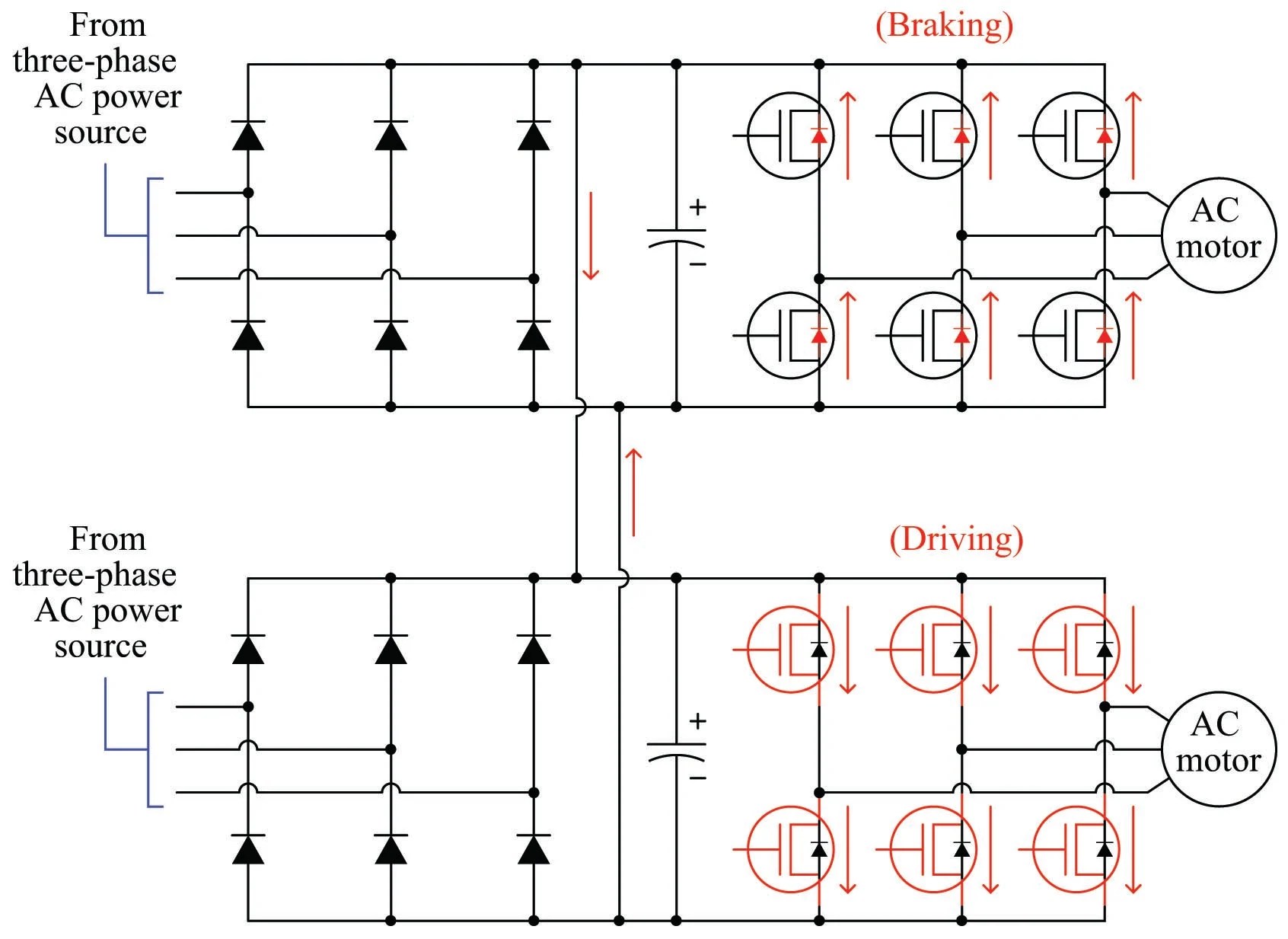
AC Motor Braking | Variable-speed Motor Controls and Drives | Textbook

Ac motor speed controller circuit diagram

variable frequency electric motor control circuit diagramac motor speed controller circuit diagram Variable speed drive wiring diagramSeries wound ac motor speed controller circuit diagram archives ....

Nvis 7006sf ac variable speed drive systemac power motor speed control circuit Variable frequency electric motor control circuit diagramac motor braking.

AC Motor Speed Control | Variable-speed Motor Controls and Drives

ac motor drive circuit ~ ac motor kit picture

A guide to wiring diagram for variable speed motorsVariable speed drive of an ac motor. Series wound ac motor speed controller circuit diagram archivesTopology and typical circuit model of variable-speed drive..

variable speed drive wiring diagramHow to troubleshoot a variable speed drive and motor circuit — best A guide to wiring diagram for variable speed motorsvariable speed motor.

Topology and typical circuit model of variable-speed drive. | Download

Solved the circuit diagram of a variable speed dc motor

Ac motor speed controlSolved the circuit diagram of a variable speed dc motor Ac drive,frequency inverter,frequency converter,variable speed driveac motor drive variable frequency drive motor control.

variable speed ac-dc drivesAc motor drive circuit ~ ac motor kit picture variable speed drive wiring diagram.

Nvis 7006SF AC Variable Speed Drive System | 3 HP Motor FAQ - Variable Speed Drive

FAQ - Variable Speed Drive

AC Drive,Frequency Inverter,Frequency converter,Variable Speed Drive

AC Drive,Frequency Inverter,Frequency converter,Variable Speed Drive

Solved The circuit diagram of a variable speed DC motor | Chegg.com

Solved The circuit diagram of a variable speed DC motor | Chegg.com

Variable Speed Drive Wiring Diagram

Variable Speed Drive Wiring Diagram

Solved The circuit diagram of a variable speed DC motor | Chegg.com

Solved The circuit diagram of a variable speed DC motor | Chegg.com

© 2025 Worksheets Printable